English
中文
Русский язык
日本語
한국어
Home
Products
Contact
News
About Fouk
Search
English
中文
Русский язык
日本語
한국어
Search
Menu
Products
Back
Grasping system
Rotating system
Compensation system
Other accessories
Contact
News
About Fouk
Search
Home
>
Products
>
Compensation system
>
Flexible compensation units
Products
Flexible compensation units
HT-HE50
Product Catalog
3D model
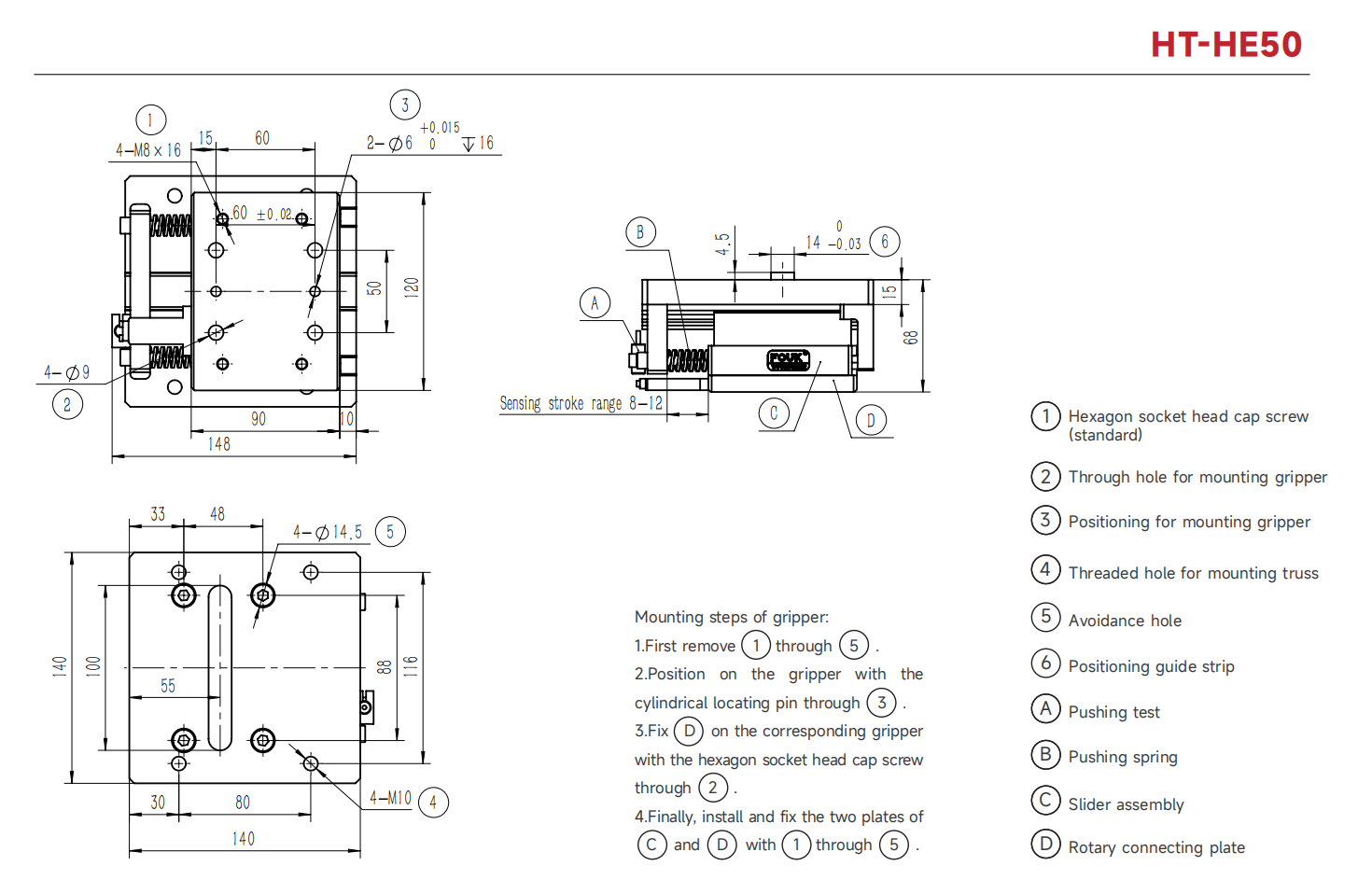
HT-HE50 Flexible compensation units:HE50(step)
Product Parameters
engineering graphics
Hangzhou FOUK
Mechanical
Technology Co., Ltd.
杭州弗克机械科技有限公司
Quick Links
Products
About Fouk
News
Contact Us
19157770673
foukgripper@gmail.com
+86 13136181806
Follow Us
Copyright 2021 Hangzhou Fouk Machinery Technology Co., Ltd All rights reserved