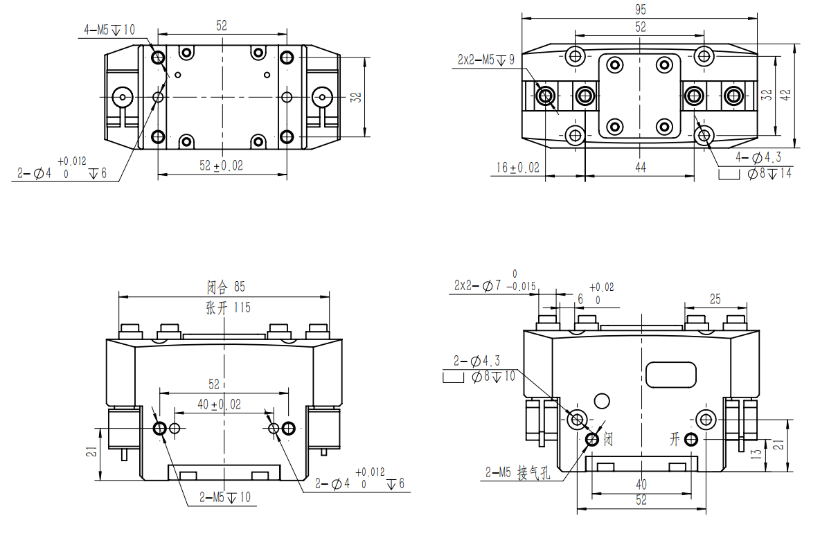
Серия параллельных захватов с длинным ходом
TR30-95-L
Configuration options:
L: удлинение хода
B:Нижняя вентиляция
P: с пылезащитным кожухом IP55
H: высокая температура -5~240℃
3D model
Product Parameters

engineering graphics












